
- 产品名称: CL3S 称重传感器
- 量程范围(kg) 0.05kg,0.1kg
- 功能特点:
- 应用范围:
产品详情
量程范围(kg) :0.05,0.1
技术指标明细: | |
精度等级 : C2 | 灵敏度温度影响(%F.S/10℃):0.05 |
综合误差(%F.S) : ±0.05 | 零点温度影响(%F.S/10℃) :0.05 |
灵敏度(mv/v) :1.0±0.15 | 温度补偿范围(℃ ) : -10~+40 |
蠕变(%F.S/5min) : ±0.05 | 使用温度影响(℃ ) : -20~+60 |
零点输出(%F.S) : ±1.5 | 激励电压(V) :3-9(DC) |
输入阻抗(Ω) : 350±5 | 安全过载范围 (%F.S) : 120 |
输出阻抗(Ω) : 350±5 | 极限过载范围 (%F.S) : 150 |
绝缘电阻(MΩ) : ≥5000 | 防护等级 : IP65 |
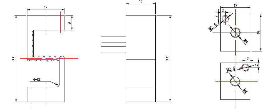
安装尺寸规格图 (单位mm):

接线方式:
红线: 激励 ( +) 111 绿线: 信号 ( +) 黑线: 激励 ( -) 111 白线: 信号 ( -)
